インタビュイー

熱田 大 電力・環境システム事業本部 システム装置事業部 電気設計部
入社7年目 働きやすい職場づくりを目指す 三重県出身の31歳。金沢工業大学大学院(電気電子工学専攻)卒。熱田さんは、部内の業務改善にも目を向ける。「AI活用やデータ共有で、効率よく働ける環境づくりを進めたい」。その視線は会社全体へと広がっている。プライベートも充実。「休日はカメラ片手に旅行でリフレッシュ。連休が取りやすいので、海外へも出かけています」。

林 悠斗 電力・環境システム事業本部 システム装置事業部 電気設計部
入社2年目 一人で図面を描けるようになりたい 京都府出身の23歳。金沢工業大学(電気電子工学科)卒。電気図面のチェックが速くなったと実感する林さん。「まずはきちんと図面の検図ができ、一人で図面を描けるのが目標です。将来は熱田さんのような、一人前のエンジニアになりたいです」。趣味はエレキベース。「休日は社外の軽音サークルでの活動やライブを観に出かけます」。
※肩書・プロフィールは取材当時のもの
先輩にすぐ相談できる だから安心できる
日本の電力インフラを支えて108年、京都に本社を置く日新電機は、大規模な電力設備や産業用の電気機器を扱う重電メーカーだ。発電所でつくられる電気を、工場、鉄道、水処理施設、商業施設などに、安全かつ効率的に届ける受変電設備やシステムを開発・製造している。そのシステム装置事業部で働く先輩・後輩である、入社7年目の熱田大さんと、入社2年目の若手・林悠斗さんに話を聞いた。
まず若手の林さんは、「電気は私たちの生活に欠かせません。将来的にも安定している業界なのが魅力」と、日新電機を志望。入社後3カ月間の新入社員研修を経て、昨年7月に現部署に配属。現在は、さまざまな電気図面の作成・チェックを任されている。
「最初は図面を見ても何が正しいのか、どのようにチェックすればよいのかがわからず、頭を抱えました」と林さん。その様子を見て先輩の熱田さんは声をかけた。わかりやすく説明するだけでなく、実際に関係部署の担当者のもとへ足を運び、各部署の先輩方を紹介しながら、質問や確認に付き添った。そうした対話を通じて、知識を着実に増やしていき、業務への理解を深めていった林さん。
「おかげさまで、今では『何ができていないか、誰に聞けばいいか』がわかり、安心して働いています」。
熱田さんは話す。「日々の業務を通じて、円滑なコミュニケーションの重要性を強く実感しています。私自身、多くの先輩方から教えてもらい、成長できました。皆が親切でやさしく接してくれるのも、日新電機のよさですね」。
さまざまな案件で、顧客の要望に応えながら設計をする熱田さん。林さんは「熱田さんのレベルにはまだまだですが、確実に自分にも力がつき、前進している気がします。自分の成長を感じると、とても楽しいです」。
熱田さんもエールを送る。「最初はどうしても指示待ちになりがち。でも林さんは自発的に動けるようになり、スキルアップしています。日新電機は、様々な業務に挑戦できる機会が多く、自分は海外短期トレーニー制度を利用したタイでの業務経験を通じて、多くを学ぶことができました。林さんもこれから仕事がもっとおもしろくなっていきますよ」。
コラム1
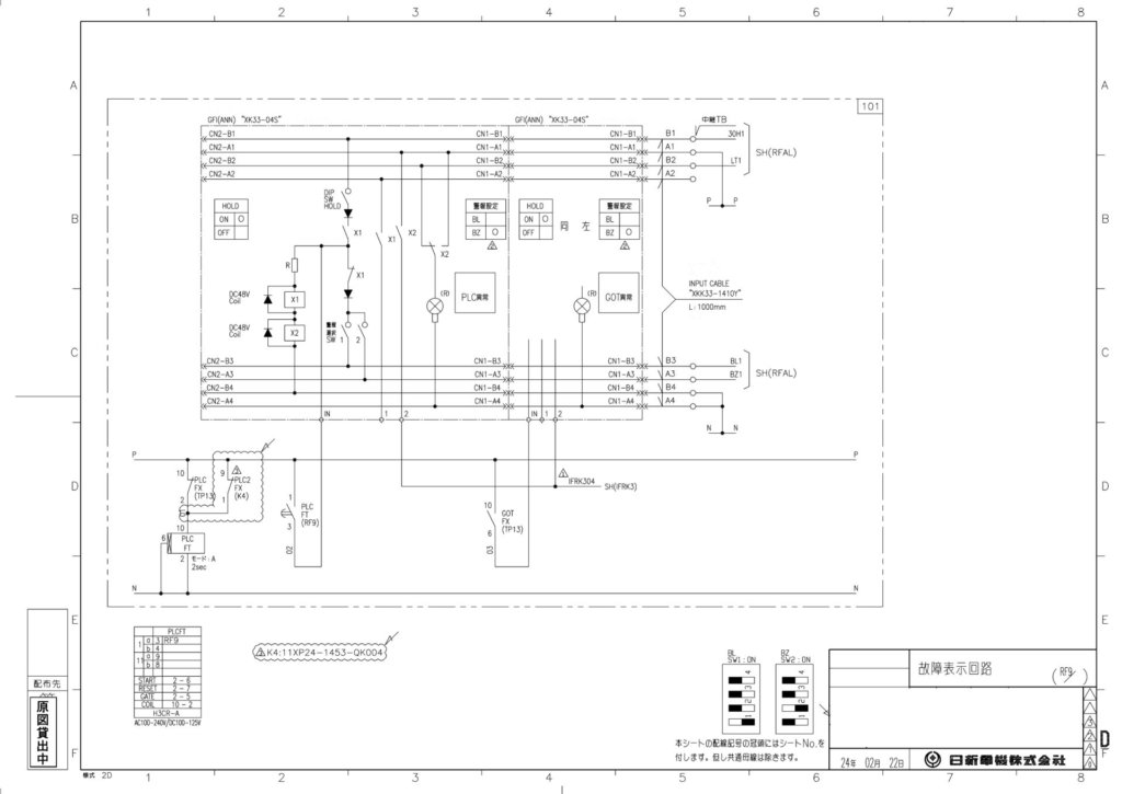
これが電気図面だ!

電気図面とは、設備の電気の流れを示す指示書だ。機器への配線や機器動作、表示灯回路等の多くの種類の図面から構成されている。電気図面の製図には短いものでも1週間はかかり、年に何件もの案件を手がける熱田さんは図面一枚一枚に想いを込める。「図面は、製品の製作に欠かせないものであり、完成品の品質を左右する重要な資料です。お客さまへの説明時にも活用され、製品の仕様を正確に伝える手段となります。図面には統一感を持たせ、誰が見ても分かりやすいような描き方を心がけています」。
コラム2
ランチタイムで雑談がてら情報共有!

まるでカフェテラス!! 窓からの日差しが気持ちいい社員食堂は最大300名入れる広さ。和・洋・中の栄養豊富な日替わりメニューほか、麺類や小鉢も充実。ランチタイムは社員の談笑で賑わう。「リラックスして雑談していると、相談もしやすい。おしゃべりは大切です」と熱田さん。



